🤏 Schéma Pneumatique - Système Préhenseur
🔧 Système de Préhension Pneumatique
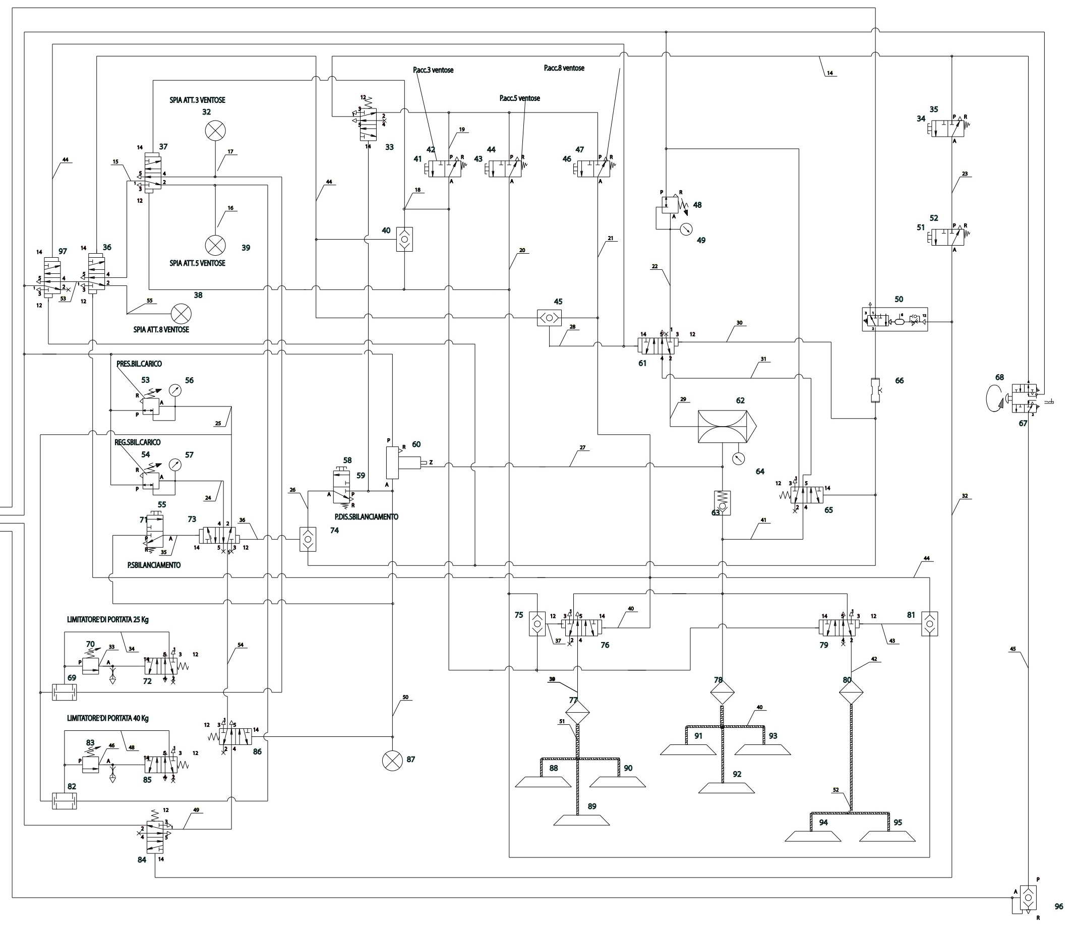
Schéma pneumatique interactif du système de préhension des bouteilles. Cliquez sur les composants pour accéder aux détails techniques et aux spécifications.
🔄 Principe de fonctionnement
1. 🫳 Phase d'approche
Le système préhenseur s'approche de la bouteille avec un mouvement contrôlé. Les capteurs de position assurent un positionnement précis.
2. 🤏 Phase de saisie
Activation de l'éjecteur pour créer le vide pneumatique. Les boudins se conforment à la forme de la bouteille pour une prise sécurisée.
3. 🚚 Phase de transport
Maintien du vide pendant le déplacement. Le vacuomètre surveille en continu la pression pour détecter un éventuel relâchement.
4. 🎯 Phase de dépose
Arrivé à destination, coupure contrôlée du vide pour libérer la bouteille. Retour en position d'attente pour le cycle suivant.
⚡ Caractéristiques techniques
🌪️ Vide de service
-0.8 bar
💨 Débit d'aspiration
240 L/min
🏋️ Force de préhension
50 N
⏱️ Temps de cycle
2.5 s